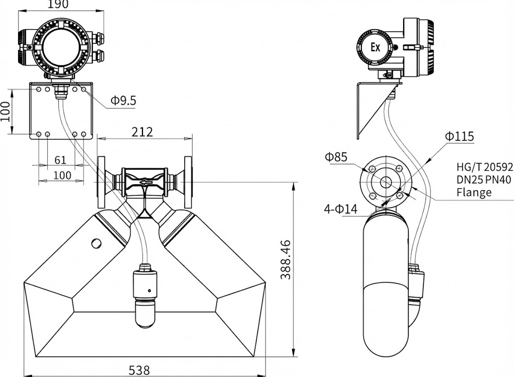
Coriolis mass flowmeter RM-CMASS025LD LNG
Engineered for the Extreme: High-Performance Cryogenic Measurement Down to -200°C.
Coriolis mass flowmeter RM-CMASS025LD LNG
Engineered for the Extreme: High-Performance Cryogenic Measurement Down to -200°C.
|
Features |
Description |
|
|---|---|---|
|
MODEL |
CMASS025 |
|
|
Nominal diameter |
inch 1" mm DN25 |
|
|
Medium temp. |
-200°C~+150°C |
|
|
Max.W.P |
< 4MPa |
|
|
Max. flow-rate |
Lb/min 440 | |
| kg/min 20 |
Typical Application Scenarios
• Unloading measurement and tank turnover at LNG receiving terminals
• Large-scale vehicle or ship bunkering at LNG refueling stations
• Custody transfer and trade measurement at liquefaction plants
• Leak detection and inventory management in cryogenic storage tanks
• Flow control of cryogenic media (e.g., liquid nitrogen, liquid oxygen) in
chemical processes